• Rolki gąsienicowe SG15 z gotyckim rowkiem łukowym
  • Rolki gąsienicowe SG15 z gotyckim rowkiem łukowym
  • Rolki gąsienicowe SG15 z gotyckim rowkiem łukowym
  • Rolki gąsienicowe SG15 z gotyckim rowkiem łukowym
  • Rolki gąsienicowe SG15 z gotyckim rowkiem łukowym
  • Rolki gąsienicowe SG15 z gotyckim rowkiem łukowym

Rolki gąsienicowe SG15 z gotyckim rowkiem łukowym

No.SG15 2RS
SG15 2RS stosuje się do ruchu liniowego o dużej prędkości
SG15-PE, SG15-P
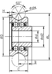
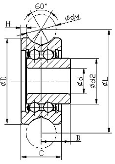
KOD ROZMIARU
SG15.2RS
dw (mm) (wymiar wału)
6
d (mm)
5
D (mm)
17
C (mm)
8
B (mm)
5,75
L (mm)
20.46
d2 (mm)
8.6
Hmm)
1
Cr (KN)
1,78
C0r (KN)
0,94
Prędkość graniczna (r/min)
15000
Waga (g)
8
Rodzaj uszczelnienia:
elektrownia jądrowa
KDD
Smar:
Smar litowy
Dostosowane
  • Rolki gąsienicowe SG15 z gotyckim rowkiem łukowym
  • Rolki gąsienicowe SG15 z gotyckim rowkiem łukowym
  • Rolki gąsienicowe SG15 z gotyckim rowkiem łukowym

Opis

Rolki gąsienicowe z gotyckim rowkiem łukowym - typ SG

Funkcja rolek serii SG jest taka sama jak rolek serii LFR. Ale są one używane głównie w torze płaskim i w stanie wymaganym zwartej konstrukcji. Po zamontowaniu rolek do suwaka, wał nie będzie wystawał lub rzadko będzie znajdował się nad bocznymi płaszczyznami rolki.